問:壓力開關無顯示怎么調試開關壓力報警點
答:可調壓力開關一般都有相應的刻度,以方便作設定;如果是電接點壓力表,更可以直接按表盤刻度設定接點通斷的壓力;如果沒有任何參照刻度,那就需要將壓
力開關與標準壓力表共同接
在一個可以調整的壓力源
上根據壓力表調節壓力 ...

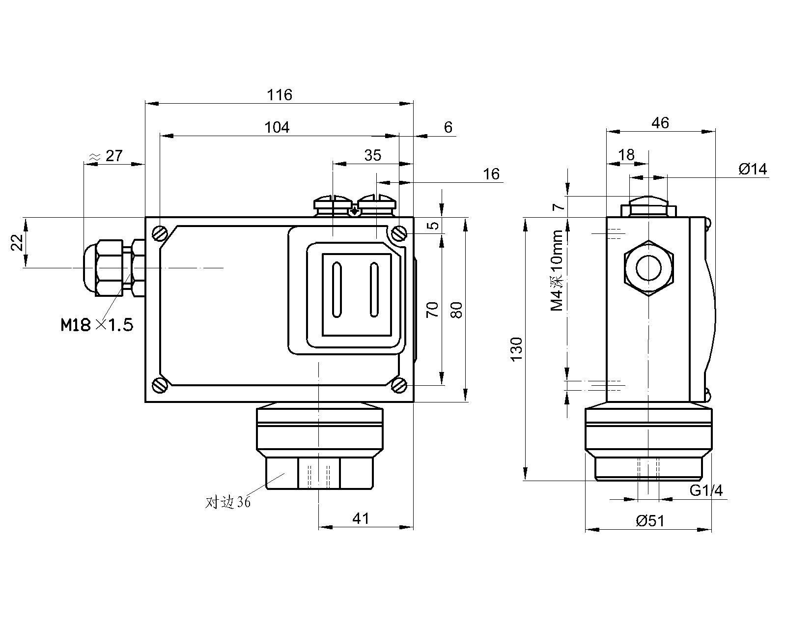
通用型壓力控制器
應用領域:
主要適用于各種中性或微弱腐蝕性介質壓力控制,也可用于真空
產品特點:
可用于真空。有特殊要求的,可另行設計調節范圍-0.1~6.3MPa。傳感器為不銹鋼材質(316L)的波紋管傳感器。
工作參數 |
普通型 |
防爆型 |
工作粘度 |
<1x10-3m2/s |
<1x10-3m2/s |
開關元件 |
微動開關 |
密封開關 |
防爆等級 |
/ |
Exed II CT4~T6 |
外殼防護等級 |
IP65 |
IP54 |
環境溫度 |
-40℃~50℃ |
-40℃~50℃ |
介質溫度 |
0~120℃ |
0~120℃ |
安裝位置 |
/ |
壓力垂直向下 |
抗振性能 |
slk-Y502:40m/s2 |
Max. 20m/s2 |
重復性誤差 |
≤1.5% |
≤1.5% |
觸點容量 |
AC 220V ,6A(阻性) |
DC 250V ,0.25A(阻性), 60W max. AC 250V ,5A(阻性),1250VA max. |
序號 |
對應設定值調節范圍 |
耐壓 |
對應外形型號 |
||
B |
K |
X |
|||
01 |
-0.1~0 |
-0.1~0 |
-0.1~0 |
1 |
普通:01 防爆:04 |
02 |
-0.1~0.1 |
-0.1~0.1 |
0~0.1 |
||
03 |
-0.1~0.16 |
-0.1~0.16 |
0~0.16 |
||
04 |
-0.1~0.25 |
-0.1~0.25 |
0.01~0.25 |
||
05 |
0~0.1 |
0~0.1 |
0.01~0.3 |
||
06 |
0~0.16 |
0~0.16 |
0.02~0.4 |
||
07 |
0.01~0.25 |
0.01~0.25 |
0.03~0.6 |
||
08 |
0.02~0.4 |
0.02~0.4 |
0.03~0.8 |
2 |
普通:02 防爆:05 |
09 |
0.03~0.6 |
0.03~0.6 |
0.03~1.0 |
||
10 |
0.03~1 |
0.03~1 |
0.03~1.6 |
||
11 |
0.05~1.6 |
0.05~1.6 |
0.05~2.5 |
5 |
普通:03 防爆:06 |
12 |
0.05~2.5 |
0.05~2.5 |
0.05~3.0 |
||
13 |
|
|
0.05~4.0 |
|
|
注: ① 耐壓值的含義:在實際工作中,即使短暫的壓力峰值也不能超過這個值。 ② X型壓力控制器:序號01~05的耐壓值為0.5Mpa;06~09的耐壓值為3.0Mpa; 10~13的耐壓值為6.0Mpa。 ③ X型對應外形尺寸07,08,只有連接螺紋的區別,此處不另加標注。 |
|||||
型 號 |
說 明 |
||||
slk-Y502- |
□ |
/□ |
/□ |
/□ |
|
儀表類型 |
B |
|
|
|
切換差不可調 |
K |
切換差可調 |
||||
X |
超小型設計 |
||||
設定值調節范圍 |
01 |
設定值調節范圍參照設定值參照表 |
|||
02 |
|||||
03 |
|||||
04 |
|||||
05 |
|||||
06 |
|||||
07 |
|||||
08 |
|||||
09 |
|||||
10 |
|||||
11 |
|||||
12 |
|||||
13 |
|||||
連接方式 |
G |
G1/4內螺紋 |
|||
防爆等級 |
F |
無防爆 |
|||
E |
Exed II CT4-T6 |
||||
備注: X型壓力開關無防爆形式。 |
|||||

通用型壓力開關