- MORE 產品快速導航
產品展示 | Projects
SLK8010投入式液位變送器
發布日期:2010-08-23 瀏覽次數:8698
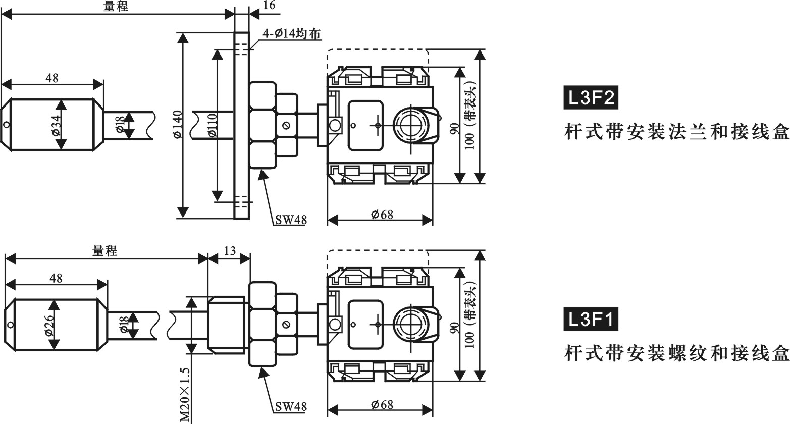
SLK-8010投入式液位變送器選用進口帶防腐膜片敏感組件,將芯片不銹鋼(或四氟乙烯)殼體內。頂部的鋼帽起保護傳感器膜片作用,也能使被測介質流暢地接觸到膜片。該產品采用特制的防水通氣電纜,使感壓膜片的背壓腔與大氣良好相通,測量液位不受外界大氣壓變化的影響,測量準確,長期穩定性好,并具有優良的密封及防腐性能,可直接投入水、油等液體(包括腐蝕性液體)中長期使用。聚四氟乙烯材料的外殼及電纜可測量多種強腐蝕性液體。 技術指標:量程:0-0.5~200mH2O 結構尺寸:SLK8010/L2/L3型液位變送器SLK8010/L2型纜式分體液位變送器的壓力探頭為不銹鋼材料,電纜護套為橡塑,特殊要求可選擇聚四氟乙烯材料。
|


