- 壓力變送器系列
- 通用型壓力變送器
- 工業型壓力變送器
- 衛生型壓力變送器
- 數顯型壓力變送器
- 高溫型壓力變送器
- 差壓型壓力變送器
- 潛水型壓力變送器
- 經濟型壓力變送器
- 智能型壓力變送器
- 高壓型壓力變送器
- 壓縮機專用壓力變送器
- 差壓變送器系列
- 智能壓力變送器
- 智能絕對壓力變送器
- 智能差壓變送器
- 智能微差壓變送器
- 智能高靜壓差壓變送器
- 智能單法蘭液位變送器
- 智能單法蘭插入式液位變送器
- 智能遠傳差壓變送器
- 智能遠傳插入式差壓變送器
- 智能遠傳壓力變送器
法蘭平膜高溫型壓力變送器

產品概述
SLK520TS法蘭平膜高溫型壓力變送器是為滿足客戶法蘭安裝要求的一款平膜產品。該產品采用進口擴散硅壓力敏感元件,經過長期老化及穩定性篩選,產品性能穩定可靠。SLK520TS法蘭平膜高溫型壓力變送器以國際標準法蘭盤為接口標準,可實現用戶現場法蘭安裝方式。因受力膜片外露直接感受壓力,便于清潔,且能滿足防潮、防水、防爆等惡劣工況要求,該系列產品廣泛應用于工業過程控制、石油、化工、冶金等含有顆粒粘稠介質。
產品特點
1、2088、3051可選
2、模擬,智能可選
3、有HART協議可選,可遠傳
4、大尺寸膜片,全焊接密封,長期可靠耐用
5、堅固密封良好的鋁合金接線盒,戶外安裝使用
6、防腐金屬膜片可選(鉭、哈C、噴四氟、316L等)
7、有液晶顯示可選
8、特別適用高溫粘稠液體
9、法蘭尺寸可按客戶要求定制,安裝靈活多樣
性能參數
適用范圍
高端設備配套,鍋爐,油田,注塑,重工,化工,蒸汽管網,供水管網
外形結構
SLK520TS法蘭平膜高溫型壓力變送器是為滿足客戶法蘭安裝要求的一款平膜產品。該產品采用進口擴散硅壓力敏感元件,經過長期老化及穩定性篩選,產品性能穩定可靠。SLK520TS法蘭平膜高溫型壓力變送器以國際標準法蘭盤為接口標準,可實現用戶現場法蘭安裝方式。因受力膜片外露直接感受壓力,便于清潔,且能滿足防潮、防水、防爆等惡劣工況要求,該系列產品廣泛應用于工業過程控制、石油、化工、冶金等含有顆粒粘稠介質。
產品特點
1、2088、3051可選
2、模擬,智能可選
3、有HART協議可選,可遠傳
4、大尺寸膜片,全焊接密封,長期可靠耐用
5、堅固密封良好的鋁合金接線盒,戶外安裝使用
6、防腐金屬膜片可選(鉭、哈C、噴四氟、316L等)
7、有液晶顯示可選
8、特別適用高溫粘稠液體
9、法蘭尺寸可按客戶要求定制,安裝靈活多樣
性能參數
| 量程范圍 | 0~20kPa…10MPa |
| 壓力類型 | 表壓、絕壓 |
| 供電電源 | 24V |
| 輸出信號 | 4~20mA 、4~20mA+HART協議 |
| 工作溫度 | -20℃~85℃ |
| 介質溫度 | -40℃~150℃ |
| 儲存溫度 | -40℃~125℃ |
| 零點溫漂 | ±2%FS(@-40℃~85℃) |
| 靈敏度溫漂 | ±2%FS(@-40℃~85℃) |
| 過載壓力 | 150%FS |
| 機械振動 | 20g(20~5000HZ) |
| 沖擊 | 100g(11ms) |
| 綜合精度 | 0.5級 |
| 絕 緣 | 100MΩ/250VDC |
| 響應時間 | ≤1ms(上升到90%FS) |
| 長期穩定性 | ±0.2%FS/年 |
| 防護等級 | IP65 |
| 材質 | 外殼不銹鋼;隔離膜片316L |
| 介質兼容 | 與316L不銹鋼兼容的各種介質 |
高端設備配套,鍋爐,油田,注塑,重工,化工,蒸汽管網,供水管網
外形結構
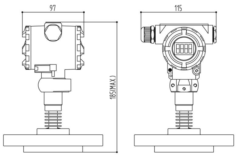
|
尺寸圖 單位:mm |
![]() J1:2088殼體 J2:2088殼體(帶顯示) |
|
尺寸圖 單位:mm |
![]() J8:3051殼體 J9:3051殼體(帶顯示) |
| 注 |
1、 該產品為定制產品。 2、 圖示尺寸僅供參考,殼體有3051、2088兩種;線路板有顯示、無顯示兩種;使用有模擬、智能兩種。 |
法蘭連接
| F1:DN25法蘭 | F3:DN50法蘭 | F4:DN80法蘭 |
![]() |
![]() |
![]() |
安裝示意(僅供參考)

訂購指南
| 產品名稱 | ||||||||||
| SLK520TS | ||||||||||
| 量程范圍 | ||||||||||
| 根據客戶要求直接填寫 | ||||||||||
| 電源 | ||||||||||
| V1:24V DC 、V2:(12V~36V)DC | ||||||||||
| 輸出信號 | ||||||||||
| B1:4~20mA、B2: 4~20mA+HART協議 B3:其它 | ||||||||||
| 法蘭連接 | ||||||||||
| F1:DN25法蘭、F2:DN50法蘭、F3:DN80法蘭、F4:其它規格 | ||||||||||
| 附加信息 | ||||||||||
| J1:2088殼體、J2:2088殼體帶顯示、J3:3051殼體、J4:3051殼體帶顯示 | ||||||||||
| P1:0.5%FS、P2:0.25%FS | ||||||||||
| 壓力類型 | ||||||||||
| G:表壓 A:絕壓 S:密封壓 | ||||||||||
| 防爆要求 | ||||||||||
| E1:本安防爆ExiaⅡCT6 (2088、3051殼體均有防爆可選) | ||||||||||
| SLK520TS | 1MPa | V1 | B1 | F1 | J2P1GE1 選型舉例:SLK520TS-1MPa-V1-B1-F1-J2P1GE1 | |||||
表示型號為SLK520TS、量程為0~1.0MPa、供電電源為24V、輸出信號為4~20mA、法蘭連接為DN25法蘭、電氣連接為2088殼體帶顯示、精度為0.5%、壓力類型為表壓、本安防爆要求。
▲訂購提示
⑴ 帶顯示分為數碼管顯示和液晶顯示兩種,請在訂單中說明。
⑵ 若對產品外形和性能參數有特殊要求,本公司可提供定制。
產品信息歸西安仕樂克儀表科技有限公司版權所有
http://tzh-1.com/view-66-1.html
相關文章推薦:壓力變送器選取壓點應符合的幾個規定 壓力變送器的正負遷移 壓力變送器微調的具體操作步驟 供熱電廠壓力變送器工作原理 壓力開關與傳感器的設計了解 智能壓力變送器的作用及特點 壓力變送器的正負遷移 壓力變送器使用時需要注意哪些事項 壓力變送器在冬季如何防凍保溫【儀表防凍通用 壓力變送器主要作用 擴散硅壓力變送器在水位控制系統中的應用 常用壓力變送器的工作原理和特點 壓力變送器主要從哪些方面檢定技術 如何延長壓力變送器的使用壽命 壓力變送器系列中的五大分類
上一篇:卡箍平膜高溫型壓力變送器
下一篇:沒有了







