- 壓力變送器系列
- 通用型壓力變送器
- 工業型壓力變送器
- 衛生型壓力變送器
- 數顯型壓力變送器
- 高溫型壓力變送器
- 差壓型壓力變送器
- 潛水型壓力變送器
- 經濟型壓力變送器
- 智能型壓力變送器
- 高壓型壓力變送器
- 壓縮機專用壓力變送器
- 差壓變送器系列
- 智能壓力變送器
- 智能絕對壓力變送器
- 智能差壓變送器
- 智能微差壓變送器
- 智能高靜壓差壓變送器
- 智能單法蘭液位變送器
- 智能單法蘭插入式液位變送器
- 智能遠傳差壓變送器
- 智能遠傳插入式差壓變送器
- 智能遠傳壓力變送器
SLK400風差壓型壓力變送器

產品概述
SLK400風差壓型壓力變送器采用OEM硅壓阻式差壓芯體組裝而成,外殼為鋁合金結構,兩個壓力接口為M10螺紋和旋塞結構,可直接安裝在測量管道上或通過引壓管連接,安裝使用方便,廣泛應用于鍋爐、煤炭、電力等行業中干燥不導電無腐蝕性氣體的微差壓的檢測。
產品特點
1、φ8倒刺嘴接口,安裝方便
2、測量微小氣體差壓值
3、堅固密封良好的鋁合金外殼
4、產品可外部調節零點、滿程
5、具有短路保護和反極性保護
6、零點、靈敏度溫度全范圍補償
7、抗干擾強、優良的長期穩定性離防爆
性能參數
適用范圍
鍋爐送風、井下通風等電力、煤炭行業壓力過程控制領域…
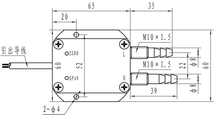
外形尺寸及接線方式
SLK400風差壓型壓力變送器采用OEM硅壓阻式差壓芯體組裝而成,外殼為鋁合金結構,兩個壓力接口為M10螺紋和旋塞結構,可直接安裝在測量管道上或通過引壓管連接,安裝使用方便,廣泛應用于鍋爐、煤炭、電力等行業中干燥不導電無腐蝕性氣體的微差壓的檢測。
產品特點
1、φ8倒刺嘴接口,安裝方便
2、測量微小氣體差壓值
3、堅固密封良好的鋁合金外殼
4、產品可外部調節零點、滿程
5、具有短路保護和反極性保護
6、零點、靈敏度溫度全范圍補償
7、抗干擾強、優良的長期穩定性離防爆
性能參數
| 量程范圍 | 0~1kPa…250kPa |
| 壓力類型 | 差壓 |
| 供電電源 | 24V |
| 輸出信號 | 4~20mA |
| 工作溫度 | -10℃~60℃ |
| 介質溫度 | -10℃~60℃ |
| 儲存溫度 | -40℃~125℃ |
| 零點溫漂 | ±3%FS(@0℃~50℃) |
| 靈敏度溫漂 | ±3%FS(@0℃~50℃) |
| 過載壓力 | 300%FS |
| 機械振動 | 20g(20~5000HZ) |
| 沖擊 | 100g(11ms) |
| 綜合精度 | 0~2kPa:3級 |
| 2kPa~10kPa:1級 | |
| 10kPa~150kPa:0.5級 | |
| 絕 緣 | 100MΩ/250VDC |
| 響應時間 | ≤1ms(上升到90%FS) |
| 長期穩定性 | ±0.2%FS/年 |
| 防護等級 | IP65 |
| 使用壽命 | 1×108 壓力循環 |
| 材質 | 外殼不銹鋼、鋁;隔離膜片316L |
| 介質兼容 | 與316L不銹鋼兼容的各種介質 |
鍋爐送風、井下通風等電力、煤炭行業壓力過程控制領域…
外形尺寸及接線方式
|
尺寸圖 (單位:mm) |
![]() |
| 接線方式 |
![]() |
訂購指南
| 產品名稱 | ||||||||||
| SLK400風差壓型壓力變送器 | ||||||||||
| 量程范圍 | ||||||||||
| 根據客戶要求直接填寫 | ||||||||||
| 電源 | ||||||||||
| V1:24V DC 、V2:12V DC | ||||||||||
| 輸出信號 | ||||||||||
| B1:4~20mA、B2:0~10V、B3:1~5V、B4:0~5V、 | ||||||||||
| 接口螺紋 | ||||||||||
| C1:M10×1.5、C2:其它可定制 | ||||||||||
| 附加信息 | ||||||||||
| J1:直接引線、 | ||||||||||
| P1:0.5%FS、P2:1%FS、P3:3% | ||||||||||
| SLK400 | 7KPa | V1 | B1 | C1 | J1P2 選型舉例:SLK400-1MPa-V1-B1-C1-J1P1 | |||||
表示型號為SLK400、量程為0~7KPa、供電電源為24V DC、輸出信號為4~20mA、螺紋接口為M10×1.5、電氣連接為直接引線、精度為1% 。
▲訂購提示
⑴ 若對產品外形和性能參數有特殊要求,本公司可提供定制。
⑵ 若對產品性能參數和功能上有特殊要求,歡迎與本公司洽談。
產品信息歸西安仕樂克儀表科技有限公司版權所有
http://tzh-1.com/view-57-1.html
相關文章推薦:壓力變送器選取壓點應符合的幾個規定 壓力變送器的正負遷移 壓力變送器微調的具體操作步驟 供熱電廠壓力變送器工作原理 壓力開關與傳感器的設計了解 壓力變送器的正負遷移 壓力變送器主要從哪些方面檢定技術 壓力變送器使用時需要注意哪些事項 壓力變送器在冬季如何防凍保溫【儀表防凍通用 常用壓力變送器的工作原理和特點 如何延長壓力變送器的使用壽命 擴散硅壓力變送器在水位控制系統中的應用 壓力變送器主要作用 智能壓力變送器的作用及特點 壓力變送器系列中的五大分類
上一篇:沒有了
下一篇:一體化差壓變送器




